1. 概要
受配電盤の三相V、A、W、PF、var、Hz、Wh、Varhの表示及びRS-485通信で遠隔電力監視ができる計器です。
2. 製品情報及び仕様

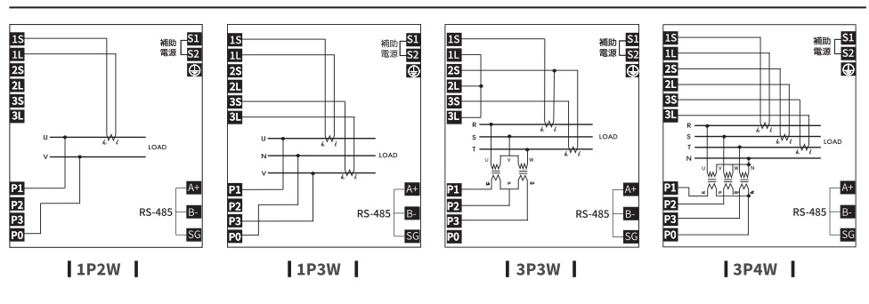
3. 結線図

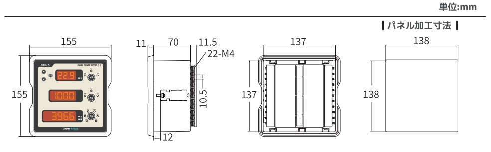
4. 外形図及び寸法

5. 注文方法
1) 形名及び仕様を選択
2) 通信有無を選択
6. お問い合わせ
お問合せのページに内容を記載してください。又は下記の電話番号にてお問い合わせください。
TEL : +82-070-5126-2041
交換/返品/払い戻し案内
| 支払い及び 送金案内 |
- 無通帳入金の場合、注文の際入力した入金者名と実際の入金者が必ず一致しなければならないし、入金金額を必ずご確認ください。 - 注文後7日以内入金完了されるべきであり、注文者と入金者名が一致しない場合、入金確認が自動にされないかもしれませんので、必ずQ&Aまたはサービスセンターにお問い合わせした後、入金確認の処理に進んでください。 - カードの支払いの場合、商品の代金の決済後、部分取消しを希望する場合、Q&Aまたはサービスセンターに連絡くださると速い処理が可能です。 |
|---|---|
| 配送及び送料案内 | 国際配送の場合、別途案内 |
| 交換及び返品案内 | 製品未開封の場合は交換及び返品が可能です。 |
| 交換/返品不可案内 | 特殊仕様や注文生産品は交換または返品が不可能ですので、 注文の際、ご注意ください。 |
認証書
カタログ
ソフトウェア
取扱説明書
製品図面